-
20 2026.04
阅读:
浅谈总有机碳分析仪的使用和维护
总有机碳(total organic carbon,TOC)指溶解或悬浮在水中有机物的含碳量,是以含碳量表示水体中有机物总量的综合指标[1]。不同于化学需氧量(Chemical Oxygen Demand,COD)和生化需氧量((Biochemical oxygen demand,BOD)等间接测定水中有机物的方法,TOC是直接测量水中有机污染物较好的方法。一切有机物都是以有机碳组成,水中有机物在高温下燃烧氧化生成CO2,TOC是通过测定生成的CO2来直接测定有机物的含量,因此它比COD和BOD更能确切表示水中有机污染物的综合指标,所以常常被用来评价水体中有机污染物的程度[2]。TOC分析已成为世界许多国家水处理和质量控制的主要手段[3,4]。另外,地质勘探、石油化工、制药、生态系统碳循环中都需要进行TOC的测定[5-9]。
水中TOC的测定通常使用仪器法进行,其中直接燃烧氧化-非分散红外法(CO-NDIR)得到广泛应用。该技术具有灵敏度高、精度高、响应速度快等优点。另外,CO-NDIR法具有测量范围广、抗干扰能力强等特点,能够满足多种气体检测需求[10]。目前,市场上常用的TOC分析仪有济南禾普、上海元析、日本岛津、德国元素、美国哈希、德国耶拿等品牌,其中日本岛津公司生产的TOC分析仪因其性价比高、结构紧凑、气密性好,简便、快速,重复性强、准确度高等特点,一直以来得到广大用户的青睐[11]。
获得准确的测定数据,是开展监测和研究以掌握事物发展规律的前提。检测仪器的正确使用和维护是获得准确数据的必要保证。本文以岛津公司生产的TOC-L/CPN型总有机碳分析仪在地表水监测当中的应用为例,结合作者多年的监测研究工作经验,讨论仪器使用过程当中的注意事项和常规维护,交流经验做法,以期为分析和研究工作者提供有益参考。
1 仪器简介
1.1 仪器的构成
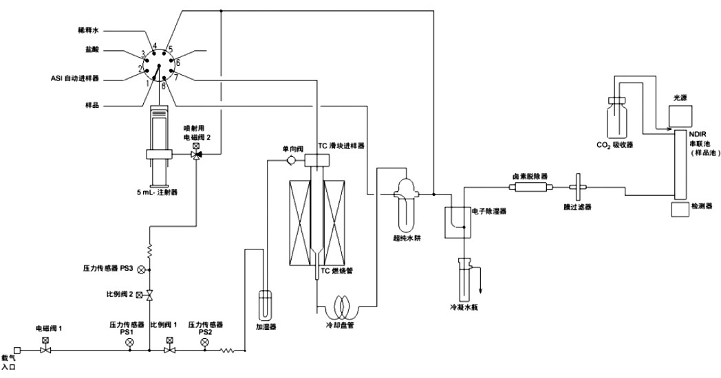
TOC-L/CPN型总有机碳分析仪由载气系统、进样系统、燃烧系统、检测系统等部分构成。仪器流路图见图1。
图1 TOC-L/CPN型总有机碳分析仪流路

1.2 测定原理
1.2.1 总碳(TC)的测定原理
使用调压阀和流量控制阀控制在15mL/min流量的载气在预先填充氧化催化剂的加热至680℃的燃烧管中流通。试样注入燃烧管内时,试样中的TC燃烧或分解为二氧化碳。含二氧化碳等燃烧生成物的载气,由燃烧管向除湿器(电子冷却器)移动,进行冷却、除湿。然后通过卤素洗涤器到达非散射型红外线气体分析部(NDIR)的测量池,检测二氧化碳。NDIR 的检测信号(模拟信号)形成峰的形状,此峰的面积在数据处理部进行测定。峰面积与试样中的TC浓度成比例。
1.2.2 无机碳(IC)的测定原理
水中的IC由碳酸根、碳酸氢根和水中溶解的二氧化碳组成。用盐酸将注射器中的样品酸化至pH值为3或更低。然后用载气对样品进行通气处理,使样品中的IC转化成为二氧化碳,并用NDIR检测器检测。
1.2.3 不挥发性有机碳(NPOC)的测定原理
试样中加酸成为酸性(pH3以下,pH2-3 适宜)后通喷射气体。试样中的IC成为二氧化碳,从试样中除去。然后对剩下的样品进行TC测量,测定的结果可作为TOC含量。试样中存在挥发性有机物时,由于在通气处理中有可能从试样中消失,因此这种方式测定的TOC 可称为NPOC(non-purgeable organic carbon)。但是,在对水中溶解度大的挥发性有机物时,通气处理时挥发量有限。一般的天然水、公共用水、纯净水中的挥发性有机物很少,NPOC可认作TOC。
1.2.4 TOC的测定原理
TOC-L/CPN型总有机碳分析仪TOC 测定方法有差减法(TC-IC)和NPOC法两种。
TC-IC 法:在TC-IC法中,用TC分析和IC分析的差值测量TOC。对于IC含量高于TOC 含量的样品(TC几乎全由IC构成的样品),不建议用TC-IC法,而NPOC法比较适合于这类样品。用TC-IC法测定TOC值的误差是TC测量和IC测量误差的叠加值,因此TOC值会出现较大的误差。
NPOC法:NPOC 法是最为广泛使用TOC分析方法。对于喷射期间会起泡的样品,不建议使用NPOC法。喷射期间起泡的样品很容易生成泡沫并流出注射器,这很容易带走高浓度的TOC 成分,而注射器中便只剩下少量的TOC了。因此在这种情况下,建议使用TC-IC 法。
此外,对于酸化后凝结或沉淀的样品,很难准确测量其TOC,这时也应该使用TC-IC 法。
针对NPOC分析时IC清除处理的加酸量和通气时间,建议参照文献方法进行优化[10]。
2 样品的采集、保存和污染消除
单次测定的样品,其采集和保存建议按照HJ 501-2009进行[1]。各别样品,例如因研究的需要而敞口培养并连续监测TOC变化趋势的样品,需要特别注意样品受到污染。实验表明,新鲜制备的超纯水TOC含量小于0.2mg/L,敞口放置2天后,TOC含量可达到2mg/L甚至5mg/L,可能在环境当中存在的微生物和有机物对TOC产生了正干扰。实验室内易挥发的有机试剂,如丙酮、乙醇等,也会污染水样。使用酒精消毒过的实验室内空白样品TOC含量显著高于未消毒实验室内的空白样品。因此,应采取空白实验、隔绝有机物等措施避免样品受到污染。
3 仪器状态的检查
仪器准备就绪后,样品测定前首先进行空白样品和标准样品的测定,满足要求后方可进行实际样品的测定。取新鲜制备的无二氧化碳水或超纯水测定TOC含量,测定值应小于0.2mg/L,否则查找原因直至空白值小于0.2mg/L为止。查找原因第一步应检查空白样品是否受到污染,可以用新打开市售娃哈哈纯净水或超纯水测定TOC,如果TOC含量小于0.2mg/L,可以判定空白样品受到了污染。如果TOC含量仍大于0.2mg/L,可以判定仪器出了问题,应予以维护。
空白样品TOC含量符合要求后,可测定已知浓度的标准样品以进一步检查仪器状态。差减法(TC-IC法)可选用TOC质控样品或标准样品(如标准曲线的中间点)进行测定,测定值处于质控样品浓度允许范围内或处于标准样品的实际浓度±5%时,可以认为仪器状态正常。使用直接法(NPOC法)时,用标准样品检查仪器状态,建议测定两种标准溶液,分别为TOC标准溶液和无机碳(IC)标准溶液。只用TOC标准溶液,因溶液当中不含无机碳,无法检验仪器对无机碳的吹扫去除是否充分,进而影响测定的准确度。
4 仪器的维护
4.1 催化剂的再生和更换
TOC测定仪的催化剂需要定期再生或更换,周期因样品的不同而不同。样品中所含的无机物质会以盐和氧化物的形式积聚在催化剂内。这些残余物的积聚会降低分析的灵敏度和重现性。当测量碱性样品或者含有高浓度IC化合物的样品时,会出现这种类型的催化剂污染现象。如果催化剂被污染,可以通过催化剂再生的方法恢复催化剂的性能。如果完成再生过程后性能仍未恢复,需要更换催化剂。新催化剂呈现灰黑色,随着进样次数的增多,逐渐变成灰色和灰白色。催化剂失效时,主要表现为样品的吸收峰峰形和测定值的准确性、重现性变差。实测结果表明,更换催化剂后,测定结果的重现性和峰形恢复正常(见表1和图2)。
表1 催化剂更换前后同一个样品的测定值
| 项目 | 峰面积1 | 峰面积2 | 面积变异系数1 |
| 催化剂更换前 | 265.6 | 238.8 | 7.51 |
| 催化剂更换后 | 297.5 | 297.4 | 0.02 |
1:面积变异系数为仪器自动计算的结果,通常<3为合格。
图2 催化剂更换前后同一样品吸收峰的变化

更换催化剂时,填充的玻璃棉不宜太薄,以免催化剂颗粒掉入气路管道,影响样品测定。如果催化剂颗粒掉入气路管道发生堵塞,滑块进样器开启时,会发生明显的气压释放的声音,据此可判断气路是否堵塞。悬浮颗粒较多的样品,会缩短催化剂的使用寿命,且存在堵塞管路的风险,必要时可过滤后测定有机碳。含有大量悬浮颗粒物的水样,不宜直接测定,过滤后液体可测定溶解性总有机碳,颗粒物单独收集,晾干后可用固体进样模块测定TOC。
4.2 滑动式进样器O型环的更换
在进样器装置和进样器滑块之间叠放着白色和黑色两种O型环,在滑动进样时起着密封的作用。随着滑动次数的增多,进样器滑块和白色O型环之间产生缝隙导致漏气。黑色O型环也有可能老化漏气。如果此区域出现漏气,两个O型环都需要更换。此处是否漏气,可以捏住仪器后面的排气管,并观察仪器左侧冷凝水瓶当中产生气泡的速率,速率太慢或未产生气泡,可判定O型环漏气,可按照仪器操作手册进行更换。
4.3 八通阀转子和八通阀的更换
岛津TOC-L/CPN型总有机碳分析仪注射泵和八通道进样器均配备了八通阀。八通阀是进样系统的关键部件,在进样、清洗、加酸、吹扫、排废弃物等环节均依靠八通阀转子的旋转动作来完成。由于样品中存在悬浮颗粒,八通阀的氟树脂转子在长时间使用后会逐渐磨损和刮伤。这种磨损最终会导致八通阀出现泄漏。八通阀发生泄漏时会出现以下现象,需要更换转子或八通阀。1.八通阀周围(尤其是上轴周围)有液体滴落。2.分析重现性降低。3.注射器中出现气泡。如果泄漏情况较严重,在样品吸入注射器内后,管子内余下的样品可能回流到样品容器中。
八通阀转子的泄露严重影响测定的准确度。表2列出了八通阀转子泄露前后测定同一个样品的峰面积,泄露后的峰面积约4倍于正常时的峰面积,并且重现性变差,面积变异系数为4.17,超过了设定值。
表2 八通阀转子漏液前后同一个样品的测定值
| 项目 | 峰面积1 | 峰面积2 | 面积变异系数1 |
| 漏液前 | 31.80 | 31.68 | 0.27 |
| 漏液后 | 129.3 | 121.9 | 4.17 |
1:面积变异系数为仪器自动计算的结果,通常<3为合格。
图3 八通阀转子漏液前后同一样品吸收峰的变化

4.4 注射器柱塞头的更换
注射器的柱塞由氟树脂制成,使用中会有磨损。柱塞与注射管(玻璃管)的内壁之间最终会出现缝隙,从而导致泄漏。如果存在泄漏,那么在注射器吸入样品时,注射头附近就会产生气泡,在排出样品时,注射管的底部可能有样品漏出。如果发现这类问题,请更换柱塞头。
5 结束语
TOC的测定在生态环境、地质勘探、石油化工、制药、碳的地球化学循环等领域应用广泛。TOC分析仪的正确使用和维护是分析和研究工作者获得准确结果的必要前提,在监测和研究工作中应予以充分重视。

